API 6D Periksa Katup
NSV API6D Full Port Swing check valves, seperti semua check valve, digunakan untuk mencegah aliran balik pada saluran. Itu desain pelabuhan penuh karena beberapa pipa perlu pigging, dan katup periksa standar BS1868 tidak cocok untuk itu. swing check valves adalah variasi yang lebih tradisional. Cakram ayun diamankan ke tubuh katup dengan trunnion dan lengan engsel, tanpa bantuan pegas.
Standar yang Berlaku
Standar Desain: ASME B16.34, API 6D,
Tatap muka: ASME B16.10, API 6D, EN 558
End Flange: ASME B16.5, ASME B16.47
Butt welding Berakhir: ASME B16.25
Inspeksi dan Tes: API 598Berbagai produk
Ukuran: 2 "~ 24" (DN50 ~ DN600)
Peringkat: ANSI 150lb-1500lb
Bahan Tubuh: Baja Karbon, Baja Tahan Karat, Baja Paduan, Baja Dupleks
Trim: Per API 600Fitur desain
Desain terbuka penuh
Penutup baut
Desain disc tipe swing
Kursi yang dapat diperbarui atau dilas
Flanged atau butt welding berakhir


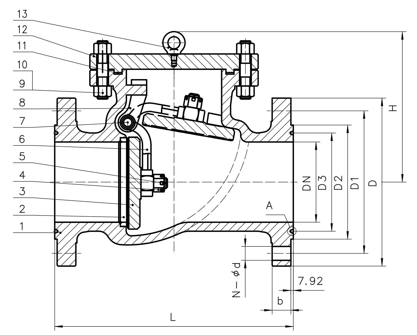
FITUR STRUKTURAL
◎ Tubuh - Penutup
Coran mesin presisi.
Eksklusif: Poros cakram tidak menembus tubuh.
◎ Tubuh dan Penutup
Sambungan badan dan penutup: Mesin yang akurat,
paking tertutup sepenuhnya.
◎ Disk
Konstruksi one-piece yang kuat untuk menahan goncangan yang parah pada layanan katup periksa. Dihiasi dengan keras dengan 13Cr, paduan CoCr, SS 316, atau Monel, digiling dan dipoleskan ke permukaan cermin. Ukuran NPS 2–6 (DN 50–150) mungkin memiliki disk CA 15 (13Cr) yang solid. Disk SS 316 dengan paduan CoCr menghadap juga tersedia.
APLIKASI
Katup ini dapat ditemukan dalam aplikasi berikut:
• Pipa gas dan cairan
• Sistem air dan uap
• Menara pendingin
• Pengolahan air
• Aplikasi kriogenik
• Fasilitas ekspor gas
• Peternakan produk
• Gua penyimpanan gas
• Pengeringan tambang

Katup ayun, karena mekanisme pembukaan dan penutupan yang kurang terkontrol, digunakan dalam aplikasi yang kurang sensitif. Mereka paling sering digunakan dalam aplikasi pipa skala besar, seperti cairan, gas, dan uap, umumnya hanya dalam konfigurasi horizontal. Dalam artikular, mereka sering digunakan dalam aplikasi gas alam, karena pemrosesan gas alam umumnya tidak memerlukan kontrol tekanan yang ketat seperti industri minyak dan penyulingan atau dalam sistem pengolahan air limbah dan air.
Faq
1. Q: Bagaimana saya bisa mendapatkan katalog perusahaan Anda?
A: Untuk referensi Anda, katalog dasar sama dengan "Unduh> E-Katalog" dari beranda. Jika Anda membutuhkan materi cetak atau meminta data yang lebih spesifik seperti bahan PQ, silakan hubungi tim penjualan.
2. T: Apakah perusahaan Anda memiliki agen / distributor dengan pengecualian Cina?
A: Saat ini, kami memiliki agen di Indonesia, Singapura, Kanada, Meksiko, Irak, dan selamat datang hubungi kami jika Anda ingin bergabung dengan kami.
3. T: Apakah katup “NSV” memiliki persediaan untuk pengguna akhir bernilai berapa pun?
A: Ya ,, itu seperti PETROKIMIA GRESIK di Indonesia, BP Irak, ESFAHAN MOBARAKEH STEEL Di Iran dll.
4. T: Saya ingin terdaftar sebagai agensi Anda?
A: Inspeksi yang ditetapkan dan persetujuan manajer wajib didaftarkan sebagai agen perusahaan. Untuk metode aplikasi tertentu, silakan berkonsultasi dengan tim penjualan. Jika Anda terdaftar sebagai agen perusahaan, "Sertifikat Agensi" akan dikeluarkan.
5. Q: Apakah Anda produsen atau perusahaan dagang?
A: Kami produsen, tetapi nama pabrik kami tidak bernama NSV karena kami profesional dalam promosi merek NSV dengan layanan terbaik, dan juga telah terjual kepada banyak pengguna akhir yang sukses.
Tag populer: API 6D check valve, Cina, pabrikan, pemasok, pabrik, buatan China
Sepasang
Katup Periksa Nozzle Non-SlamBerikutnya
Katup Periksa PSBAnda Mungkin Juga Menyukai
Kirim permintaan















